SUN2000 WR & DTSU666-H Power Meter Live Daten
Moderator: Ulrich
 SUN2000 WR & DTSU666-H Power Meter Live Daten
 SUN2000 WR & DTSU666-H Power Meter Live Daten
								
						
			
			
			
			Hallo zusammen,
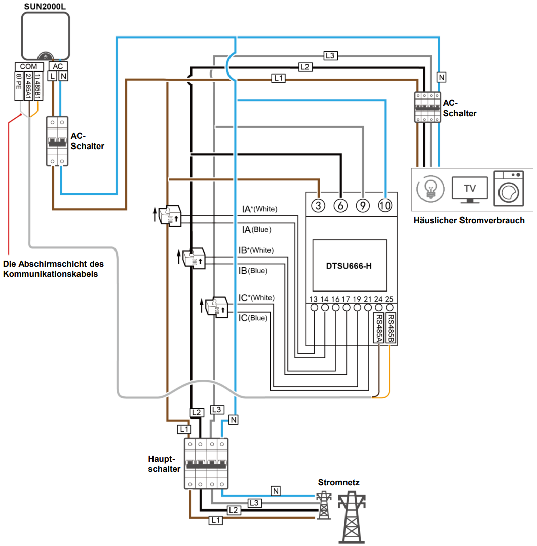
wir bekommen nächsten Monat bei uns eine neue PV-Anlage von Huawei (SUN2000 Wechselrichter, DTSU666-H Smart Power Meter und Speicher).
Alles ganz "üblich" verkabelt, das Power Meter redet über RS485 mit dem Wechselrichter.
Ich würde gerne die Live-Daten für die Solaranzeige abfragen. Hat jemand Erfahrung damit, wie ich das in diesem Setup am besten mache?
Die RS485 Schnittstelle kann ich ja vermutlich nicht abgreifen, oder? Es ist ja schon ein Master vorhanden (ich nehme mal an der WR?).
Habe schon viel zu den Huawei Sachen gelesen, aber noch nichts gefunden, wie man dieses Problem löst.
Viele Grüße,
energetic
			
			
									
						wir bekommen nächsten Monat bei uns eine neue PV-Anlage von Huawei (SUN2000 Wechselrichter, DTSU666-H Smart Power Meter und Speicher).
Alles ganz "üblich" verkabelt, das Power Meter redet über RS485 mit dem Wechselrichter.
Ich würde gerne die Live-Daten für die Solaranzeige abfragen. Hat jemand Erfahrung damit, wie ich das in diesem Setup am besten mache?
Die RS485 Schnittstelle kann ich ja vermutlich nicht abgreifen, oder? Es ist ja schon ein Master vorhanden (ich nehme mal an der WR?).
Habe schon viel zu den Huawei Sachen gelesen, aber noch nichts gefunden, wie man dieses Problem löst.
Viele Grüße,
energetic
Re: SUN2000 WR & DTSU666-H Power Meter Live Daten
Servus und liebe Grüße,
nachdem ich die gleiche Kombination habe, hab ich in den letzten Tagen meinen ersten Versuch für ein neues DTSU666-H-Smartmeter-Dashboard gestartet, und das Standard - Smartmeter-Grafana-Dashboard angepasst. Ist noch nicht perfekt, aber mal ein erster Entwurf im Anhang.
Screenshot und Dashboard habe ich dazu gelegt.
Ich habe meinen Huawei-SUN2000-4KTL-M1-Wechselrichter mit dem USB-Netzwerk-Dongle verbunden. DTSU666-H hängt über RS485 (Pin 7 und 9) direkt am Wechselrichter. Ich habe keinen LUNA2000-Speicher. Solaranzeige-Konfiguration verwende ich den Wechselrichter Nr -> 62
Mir fehlen noch die AC-Strom- und AC-Leistungsdaten pro Phase
Wenn ich es richtig verstanden habe, dann müsste ich in der "huawei_LAN.php" noch ein paar Zeilen ergänzen,
dann sollten die Daten in die InfluxDB-Datenbank gespeichert, und im Dashboard-Panel "Netzdaten" aufscheinen,
sofern das ModBUS-Auslesen das an dieser Stelle hergibt.
hier der Auszug aus der "huawei_lan.php" für die AC_Spannung -> das funktioniert standardmäßig ->
$aktuelleDaten["AC_Spannung_R"] = (hexdec( substr( $rc["Wert"], 276, 4 ))/10);
$aktuelleDaten["AC_Spannung_S"] = (hexdec( substr( $rc["Wert"], 280, 4 ))/10);
$aktuelleDaten["AC_Spannung_T"] = (hexdec( substr( $rc["Wert"], 284, 4 ))/10);
für die anderen Werte müsste es eigentlich so, oder so ähnlich aussehen...
mir fehlen die Adressen "xxx" ->
// $aktuelleDaten["AC_Strom_R"] = (hexdec( substr( $rc["Wert"], xxx, 4 ))/10);
// $aktuelleDaten["AC_Strom_S"] = (hexdec( substr( $rc["Wert"], xxx, 4 ))/10);
// $aktuelleDaten["AC_Strom_T"] = (hexdec( substr( $rc["Wert"], xxx, 4 ))/10);
// $aktuelleDaten["AC_Leistung_R"] = (hexdec( substr( $rc["Wert"], xxx, 4 ))/10);
// $aktuelleDaten["AC_Leistung_S"] = (hexdec( substr( $rc["Wert"], xxx, 4 ))/10);
// $aktuelleDaten["AC_Leistung_T"] = (hexdec( substr( $rc["Wert"], xxx, 4 ))/10);
Vielleicht hat das Problem schon jemand gelöst, und kann mir weiter helfen.
Danke im voraus, Gerry
			
							nachdem ich die gleiche Kombination habe, hab ich in den letzten Tagen meinen ersten Versuch für ein neues DTSU666-H-Smartmeter-Dashboard gestartet, und das Standard - Smartmeter-Grafana-Dashboard angepasst. Ist noch nicht perfekt, aber mal ein erster Entwurf im Anhang.
Screenshot und Dashboard habe ich dazu gelegt.
Ich habe meinen Huawei-SUN2000-4KTL-M1-Wechselrichter mit dem USB-Netzwerk-Dongle verbunden. DTSU666-H hängt über RS485 (Pin 7 und 9) direkt am Wechselrichter. Ich habe keinen LUNA2000-Speicher. Solaranzeige-Konfiguration verwende ich den Wechselrichter Nr -> 62
Mir fehlen noch die AC-Strom- und AC-Leistungsdaten pro Phase
Wenn ich es richtig verstanden habe, dann müsste ich in der "huawei_LAN.php" noch ein paar Zeilen ergänzen,
dann sollten die Daten in die InfluxDB-Datenbank gespeichert, und im Dashboard-Panel "Netzdaten" aufscheinen,
sofern das ModBUS-Auslesen das an dieser Stelle hergibt.
hier der Auszug aus der "huawei_lan.php" für die AC_Spannung -> das funktioniert standardmäßig ->
$aktuelleDaten["AC_Spannung_R"] = (hexdec( substr( $rc["Wert"], 276, 4 ))/10);
$aktuelleDaten["AC_Spannung_S"] = (hexdec( substr( $rc["Wert"], 280, 4 ))/10);
$aktuelleDaten["AC_Spannung_T"] = (hexdec( substr( $rc["Wert"], 284, 4 ))/10);
für die anderen Werte müsste es eigentlich so, oder so ähnlich aussehen...
mir fehlen die Adressen "xxx" ->
// $aktuelleDaten["AC_Strom_R"] = (hexdec( substr( $rc["Wert"], xxx, 4 ))/10);
// $aktuelleDaten["AC_Strom_S"] = (hexdec( substr( $rc["Wert"], xxx, 4 ))/10);
// $aktuelleDaten["AC_Strom_T"] = (hexdec( substr( $rc["Wert"], xxx, 4 ))/10);
// $aktuelleDaten["AC_Leistung_R"] = (hexdec( substr( $rc["Wert"], xxx, 4 ))/10);
// $aktuelleDaten["AC_Leistung_S"] = (hexdec( substr( $rc["Wert"], xxx, 4 ))/10);
// $aktuelleDaten["AC_Leistung_T"] = (hexdec( substr( $rc["Wert"], xxx, 4 ))/10);
Vielleicht hat das Problem schon jemand gelöst, und kann mir weiter helfen.
Danke im voraus, Gerry
- Dateianhänge
- 
			
		
		
				- Gerry SmartMeter-1709481012483.json
- Grafana-Dashboard im Entwurf
- (34.67 KiB) 198-mal heruntergeladen
 
Re: SUN2000 WR & DTSU666-H Power Meter Live Daten
Hi Gerry,
vielen Dank für deinen Input!
Die Lösung mit dem Dongle schein wohl verbreitet zu sein, vermutlich werde ich das dann auch probieren.
Zu deinem Problem kann ich leider (noch) nichts sagen. Solle ich was rausfinden, wenn meine Anlage dann mal läuft, melde ich mich nochmal.
Falls jemand sonst noch Erfahrung bzgl. der Verwendung von RS485 in der Kombination mit DTSU666-H hat, immer her damit
Grüße,
energetic
			
			
									
						vielen Dank für deinen Input!
Die Lösung mit dem Dongle schein wohl verbreitet zu sein, vermutlich werde ich das dann auch probieren.
Zu deinem Problem kann ich leider (noch) nichts sagen. Solle ich was rausfinden, wenn meine Anlage dann mal läuft, melde ich mich nochmal.
Falls jemand sonst noch Erfahrung bzgl. der Verwendung von RS485 in der Kombination mit DTSU666-H hat, immer her damit

Grüße,
energetic
Re: SUN2000 WR & DTSU666-H Power Meter Live Daten
Servus,
Es gibt noch ein paar Rahmenbedingungen dazu, damit der Huwawei-Wechselrichter mit der Solaranzeige funktioniert bzw. was nicht funktioniert.
zumindest ist es bei mir so... ist vielleicht nicht unwichtig bei der Anlagenentscheidung...
Wenn der "PV-Anlagenerrichter deines Vertrauens" die Anlage in Betrieb nimmt, "telefoniert der Wechselrichter ins Internet zur HUWAEI-Webseite".
Dort kannst Du dann deine Daten im Web als Normalanwender anschauen.
Du bekommst normalerweise keine ADMIN-Rechte vom PV-Anlagenerrichter zur Selbstkonfiguration der PV-Anlage.
Das war und ist bei mir in Österreich ein Gewährleistungsthema... , die ADMIN-Rechte habe ich nach 1,5 Jahren Urgenz noch immer nicht...
Standardmäßig ist die ModBUS-Schnittstelle beim HUAWEI-Wechselrichter abgeschalten, und damit kann die Solaranzeige mit dem Wechselrichter nicht kommunizieren.
Ich habe dann meinen PV-Anlagenerrichter dazu genötigt, den ModBUS zu öffnen und dem USB-Dongle (Anschluss über Netzwerkkabel) eine fixe IP-Adresse zuzuordnen. Das hatte bei mir zur Folge, dass der PV-Anlagenerrichter keinen Zugriff mehr für Fernwartung hat, und dass keine Daten mehr an die Huawei-Webseite gesendet werden.
Hier sind wir dann in den Bereich gekommen, wo mein PV-Anlagenerrichter beim Support ausgestiegen ist.
Vielleicht gibt es auch hier eine Lösung dafür. (Firmware-Update oder so ähnlich...)
Ich kann auch gut ohne HUAWEI-Webseite leben.
Ich habe hinter der Solaranzeige (Raspberry PI) eine Homematic laufen.
Dort erhalte ich die aktuelle PV-Leistung und den Hausverbrauch über die Solaranzeige.
und damit kann man schon einiges anstellen...
z.B. den Swimmingpool heizen, wenn genug von der PV-Anlage geliefert wird...
oder im Winter die Temperatur meines Arbeitszimmers mittels Elektrokonvektor um 1-2 Grad erhöhen, was dann wohnlicher ist...
Liebe Grüße, Gerry
			
			
									
						Es gibt noch ein paar Rahmenbedingungen dazu, damit der Huwawei-Wechselrichter mit der Solaranzeige funktioniert bzw. was nicht funktioniert.
zumindest ist es bei mir so... ist vielleicht nicht unwichtig bei der Anlagenentscheidung...
Wenn der "PV-Anlagenerrichter deines Vertrauens" die Anlage in Betrieb nimmt, "telefoniert der Wechselrichter ins Internet zur HUWAEI-Webseite".
Dort kannst Du dann deine Daten im Web als Normalanwender anschauen.
Du bekommst normalerweise keine ADMIN-Rechte vom PV-Anlagenerrichter zur Selbstkonfiguration der PV-Anlage.
Das war und ist bei mir in Österreich ein Gewährleistungsthema... , die ADMIN-Rechte habe ich nach 1,5 Jahren Urgenz noch immer nicht...
Standardmäßig ist die ModBUS-Schnittstelle beim HUAWEI-Wechselrichter abgeschalten, und damit kann die Solaranzeige mit dem Wechselrichter nicht kommunizieren.
Ich habe dann meinen PV-Anlagenerrichter dazu genötigt, den ModBUS zu öffnen und dem USB-Dongle (Anschluss über Netzwerkkabel) eine fixe IP-Adresse zuzuordnen. Das hatte bei mir zur Folge, dass der PV-Anlagenerrichter keinen Zugriff mehr für Fernwartung hat, und dass keine Daten mehr an die Huawei-Webseite gesendet werden.
Hier sind wir dann in den Bereich gekommen, wo mein PV-Anlagenerrichter beim Support ausgestiegen ist.
Vielleicht gibt es auch hier eine Lösung dafür. (Firmware-Update oder so ähnlich...)
Ich kann auch gut ohne HUAWEI-Webseite leben.
Ich habe hinter der Solaranzeige (Raspberry PI) eine Homematic laufen.
Dort erhalte ich die aktuelle PV-Leistung und den Hausverbrauch über die Solaranzeige.
und damit kann man schon einiges anstellen...
z.B. den Swimmingpool heizen, wenn genug von der PV-Anlage geliefert wird...
oder im Winter die Temperatur meines Arbeitszimmers mittels Elektrokonvektor um 1-2 Grad erhöhen, was dann wohnlicher ist...
Liebe Grüße, Gerry
Re: SUN2000 WR & DTSU666-H Power Meter Live Daten
Hallo Zusammen,
da bei meiner Anlage weder Modbus-TCP noch Dongle per LAN funktioniert haben, habe ich RS485 per Pins 1+3 abgegriffen, das funktioniert für die Solaranzeige bei mir. Allerdings findet der Datenaustaustausch auf die Huawei-Webseite nur noch ab Mitternacht des Vortages statt, stört mich aber nicht.
Meine Anlage:
WR Sun2000-4KTL-M1, Akku Luna2000, DTSU666.
Gruß
Meikel
			
			
									
						da bei meiner Anlage weder Modbus-TCP noch Dongle per LAN funktioniert haben, habe ich RS485 per Pins 1+3 abgegriffen, das funktioniert für die Solaranzeige bei mir. Allerdings findet der Datenaustaustausch auf die Huawei-Webseite nur noch ab Mitternacht des Vortages statt, stört mich aber nicht.
Meine Anlage:
WR Sun2000-4KTL-M1, Akku Luna2000, DTSU666.
Gruß
Meikel
- 
				Christoph.Roth
- Beiträge: 1
- Registriert: Sa 30. Mär 2024, 09:01
SUN2000 WR & DTSU666-H. Live Daten?
Hallo aus Stuttgart,
bin neu hier, guten Tag zusammen. Ich habe vor zwei Wochen eine PV Anlage mit einem Huawei Wechselrichter mit 10kWh Speicher geliefert bekommen. Die Anlage ist in Betrieb. Auf meine Bitte hin wurde die modbus Schnittstelle vom Lieferanten geöffnet. Ich möchte openHAB nutzen, um Informationen aus der Anlage zu lesen und Steuerungsfunktionen auszuführen. Auslesen funktioniert über modbusTCP i.d.R. technisch bereits zuverlässig.
Ich scheitere aktuell noch daran, die "richtigen und aussagekräftigen" modbus-Register im Huawei-Handbuch zu identifizieren, die relevante Informationen liefern. Z.B. diejenigen, die auch in der Fusion Solar App angezeigt werden. Das Handbuch umfasst eine Unmenge an Registern, deren Bedeutung nicht immer klar sind.
Könnte mir jemand hier aus diesem Kreis eventuell einen Hinweis geben, WELCHE Register für solaranzeige.de verwendet werden? Die erscheinen mir als die richtigen und sinnvollen? Ev. könnte das auch aus der Software hervorgehen!?
Vielen Dank, falls jemand eine Hilfestellung hätte...
VG Christoph
			
			
									
						bin neu hier, guten Tag zusammen. Ich habe vor zwei Wochen eine PV Anlage mit einem Huawei Wechselrichter mit 10kWh Speicher geliefert bekommen. Die Anlage ist in Betrieb. Auf meine Bitte hin wurde die modbus Schnittstelle vom Lieferanten geöffnet. Ich möchte openHAB nutzen, um Informationen aus der Anlage zu lesen und Steuerungsfunktionen auszuführen. Auslesen funktioniert über modbusTCP i.d.R. technisch bereits zuverlässig.
Ich scheitere aktuell noch daran, die "richtigen und aussagekräftigen" modbus-Register im Huawei-Handbuch zu identifizieren, die relevante Informationen liefern. Z.B. diejenigen, die auch in der Fusion Solar App angezeigt werden. Das Handbuch umfasst eine Unmenge an Registern, deren Bedeutung nicht immer klar sind.
Könnte mir jemand hier aus diesem Kreis eventuell einen Hinweis geben, WELCHE Register für solaranzeige.de verwendet werden? Die erscheinen mir als die richtigen und sinnvollen? Ev. könnte das auch aus der Software hervorgehen!?
Vielen Dank, falls jemand eine Hilfestellung hätte...
VG Christoph
- 
				Seb01
- Beiträge: 69
- Registriert: Mo 20. Mär 2023, 11:11
- Hat sich bedankt: 6 Mal
- Danksagung erhalten: 6 Mal
Re: SUN2000 WR & DTSU666-H Power Meter Live Daten
Hallo,EggerGe hat geschrieben: ↑Mi 6. Mär 2024, 06:32Servus,
Es gibt noch ein paar Rahmenbedingungen dazu, damit der Huwawei-Wechselrichter mit der Solaranzeige funktioniert bzw. was nicht funktioniert.
zumindest ist es bei mir so... ist vielleicht nicht unwichtig bei der Anlagenentscheidung...
Wenn der "PV-Anlagenerrichter deines Vertrauens" die Anlage in Betrieb nimmt, "telefoniert der Wechselrichter ins Internet zur HUWAEI-Webseite".
Dort kannst Du dann deine Daten im Web als Normalanwender anschauen.
Du bekommst normalerweise keine ADMIN-Rechte vom PV-Anlagenerrichter zur Selbstkonfiguration der PV-Anlage.
Das war und ist bei mir in Österreich ein Gewährleistungsthema... , die ADMIN-Rechte habe ich nach 1,5 Jahren Urgenz noch immer nicht...
Standardmäßig ist die ModBUS-Schnittstelle beim HUAWEI-Wechselrichter abgeschalten, und damit kann die Solaranzeige mit dem Wechselrichter nicht kommunizieren.
Ich habe dann meinen PV-Anlagenerrichter dazu genötigt, den ModBUS zu öffnen und dem USB-Dongle (Anschluss über Netzwerkkabel) eine fixe IP-Adresse zuzuordnen. Das hatte bei mir zur Folge, dass der PV-Anlagenerrichter keinen Zugriff mehr für Fernwartung hat, und dass keine Daten mehr an die Huawei-Webseite gesendet werden.
Hier sind wir dann in den Bereich gekommen, wo mein PV-Anlagenerrichter beim Support ausgestiegen ist.
Vielleicht gibt es auch hier eine Lösung dafür. (Firmware-Update oder so ähnlich...)
Ich kann auch gut ohne HUAWEI-Webseite leben.
Ich habe hinter der Solaranzeige (Raspberry PI) eine Homematic laufen.
Dort erhalte ich die aktuelle PV-Leistung und den Hausverbrauch über die Solaranzeige.
und damit kann man schon einiges anstellen...
z.B. den Swimmingpool heizen, wenn genug von der PV-Anlage geliefert wird...
oder im Winter die Temperatur meines Arbeitszimmers mittels Elektrokonvektor um 1-2 Grad erhöhen, was dann wohnlicher ist...
Liebe Grüße, Gerry
ich habe eine Sun2000 mit Luna.
Auch bei mir habe ich keine Admin-Rechte (das Rausschmeissen des Errichters mache ich dann nach den 2 Jahren selber...), aber die Modbus-Freischaltung konnte ich bei der Inbetriebnahme erreichen.
In meinem Netzwerk hat der WR [LAN-Kabel-Anschluss] mit dem Dongel eine feste IP, der WR fragt über DHCP nach einer Adresse und meine Fritzbox vergibt dann immer die selbe IP [bsp: 192.168.15.5] (wie auch viele andere Geräte in meinem Netzwerk). Der Errichter kann weiterhin über Huawei zugreifen und auch diese APP bekommt alle Daten (aktuell).
Meine Solaranzeige greift dann mit dem Regler "62" und der 192.168.15.5, Port 502, Adresse 1 auf den WR. Klappt gut.
Die huawei_LAN.php musste ich nicht anpassen, alle Werte kommen.
Gruss Sebastian
Wer ist online?
Mitglieder in diesem Forum: 0 Mitglieder und 1 Gast