Hallo Helmut,SolarHeli hat geschrieben: ↑Mi 23. Feb 2022, 19:23Hallo zusammen,
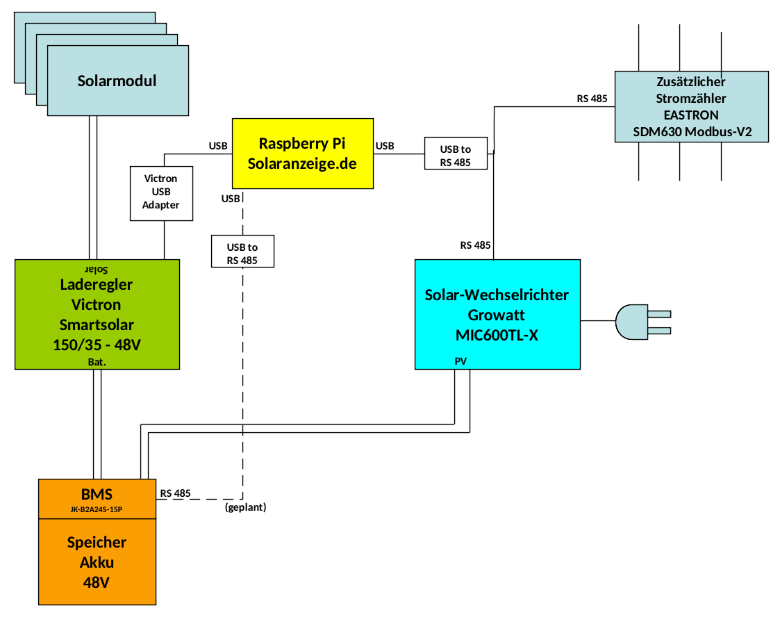
nach einiger Inbetriebnahmearbeiten (Incl. Montage der PV auf dem Dach) hier ein kurzer Statusbericht:
Der Growatt Wechselrichter MIC600TL-X arbeitet perfekt!
- lässt sich ferngesteuert (per App = RS485 Protokoll) ein- / ausschalten
- lässt sich die Wirkleistung einstellen (1-100%)
- lässt sich in eine DC-Engangsmodus (MPP off) setzen
- liefert alle Werte an die Solaranzeige
- springt gut bei 50V an (laut Berschreibung erst ab 70V)
ich plane mir aktuell auch einen Growatt 600 anzuschaffen. Anfangs möchte ich ihn für eine Direkteinspeisung ohne Akku nutzen. Später dann über Akku anstatt den PV Modulen, sodass ich eine variable Leistung auch Nachts einspeisen kann. Der Akku wird dann über einen normalen MPPT Laderegler geladen.
Ich habe mir schon die "Growatt Inverter Modbus RTU Protocol_II" PDF angeschaut und nach den entsprechenden Befehlen gesucht:
Active P Rate => 0..100%, Wirkleistung begrenzen. 255 (ohne Regelung)
TrakerModel => DC Source für den Batteriebetrieb, Independent wäre dann der normale MPPT Betrieb, oder?
Kann man den Growatt auch so einstellen, dass er sich ab einer bestimmten Akkuspannung selbst abschaltet?
Leider finde ich übers Internet nicht viele/keine Infos bzgl. der Steuerung, deswegen wäre es super wenn du mir die Punkte bestätigen könntest oder auf weitere Quellen verweisen kannst.
Gerne auch mehr Details zu deinem Aufbau!
Grüße,
Matthias