** INTRO - Kurzvorstellung des Projekts geregelter Growatt 600 **

Projektleiter ist "brunnema" (Martin)

Moderatoren: Ulrich, brunnema

Benutzeravatar
brunnema
Beiträge: 52
Registriert: Di 16. Aug 2022, 10:19
Wohnort: Süd-Hessen
Hat sich bedankt: 7 Mal
Danksagung erhalten: 2 Mal

** INTRO - Kurzvorstellung des Projekts geregelter Growatt 600 **

Beitrag von brunnema »

Hallo zusammen,

hier startet ein sehr interessantes Projekt und du kannst uns möglicherweise sogar unterstützen:

Die Mini-PV Anlage mit geregeltem 600W Growatt Wechselrichter und 48V Batteriespeicher


Ich kam auf diese Idee, da es mir vermutlich, wie vielen hier im Forum geht -
man surft Tage, Wochen durch das Internet, um eine Lösung für sein Photovoltaik Vorhaben zu finden – jetzt hast du vielleicht etwas Einzigartiges gefunden, da du wohl nicht einfach eine teure „Fertig-Lösung“ kaufen möchtest 😊

Das Ziel dieses Projektes, ist der Aufbau einer PV-Anlage (600W Balkonkraftwerk mit vereinfachter Anmeldung beim Netz-Betreiber) und einer intelligenten Regelung des Wechselrichters, gespeist durch eine Puffer-Batterie.
Der hier eingesetzte Wechselrichter vom Typ Growatt MIC600TL-X ist vom Hersteller nicht explizit für diesen Betriebsmode - hinter einer Batterie freigegeben, technisch ist es jedoch möglich. Bezüglich Garantie, Support oder sonstigen Ansprüchen, muss das jeder selbst abklären.

Jetzt wirst du dir denken, ja gut - das ist doch einfach eine "kleine Balkonanlage", warum will man den da noch "Regeln", einen Einspeisewechselrichter in seiner Bestimmung ändern und auch noch eine teure Batterie verbauen?

Genau hierfür kommt nun Solaranzeige.de und das ganze Projekt ins Spiel, denn diese wächst immer mehr zu einem Allrounder rund um PV-Anlagen, um seinen Eigenverbrauch zu maximieren, ist mir aktuell in dieser Form nirgends eine „lauffähige Lösung“ bekannt.

Im Hintergrund soll ein DC betriebener Pufferspeicher arbeiten, der von den PV-Modulen geladen wird. Die Steuerung kennt deinen Stromverbrauch im Haus, also eine Bezugsabfrage über ein sogenanntes Smart-Meter (3Phasen-Energiemessgerät), dass hinter dem Hausanschluss-Zähler verbaut wird und somit die zu erzeugende Einspeiseleistung dem Wechselrichter vorgegeben werden kann - es entsteht somit eine im Sprachgebrauch bekannte "NULL-Einspeiseregelung".

**** Kleiner Spoiler ****

>> Der Pilot hier kostet etwa 2800€, generiert errechnete 1100kWh/p. a. was eine Kostenreduzierung von ~420€/p.a. möglich macht.

>> Return-of-Invest = 2800€: 420€/p.a. = ~6,5 Jahre
>> Hier kommt nicht nur Freude in der Marketingabteilung auf, rechnet später gern mal ein paar mögliche Varianten auf Euren Verbrauch :)

In erster Linie ist neben der Solaranzeige selbst keine weitere Steuerungstechnik oder Smarthome Lösung nötig,
alle Hardware wird an den Raspberry angebunden
.

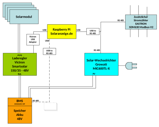
Viel geschrieben - hier mal eine Übersicht, wie das Grundsetup aussieht:
Grundsetup ©SolarHeli
Grundsetup ©SolarHeli
Grundsetup_Übersicht.png (42.97 KiB) 11877 mal betrachtet

Genutzte Komponenten

• Die Beste Steuerung in diesem Bereich ist natürlich Pflicht - ohne "Solaranzeige" geht nichts :D
_ Diese verbindet alle HW über ein RPI-Extension HAT RS485 Channel (Modbus) - Alternativ auch USB/RS485 Adapter
• Growatt MIC600TL-X als steuerbaren 600W-Wechselrichter (der Growatt 750TL-X ist das baugleiche Gerät jedoch als 750W Variante),
_ beide mit VDE4105 Zulassung.
• Eastron SDM630-Modbus-V2 oder SDM72DM-v2 Modbus (Hausanschluss Verbrauchsmessgerät - Smartmeter hinter dem Stromzähler)
• PV Module - Freiwählbar, Generatorleistung nach Bedarf - falls nötig weiter Infos folgen später
• Victron Laderegler der Blue-/ Smart Solarbaureihe mit VE.Direct-USB Adapter
• DALI BMS - Battery Managment System (RS485), da bereits in Solaranzeige als "Regler" vorhanden (JK-BMS alternativ geplant)
• 48V LiFePo4 Batteriespeicher ca. 2.5-4kWh (Eigenbau aus 16S-Zellen, notfalls auch Fertiglösungen)
_ > wichtiger Kostenpunkt bzgl. Wirtschaftlichkeit! <

Projektmanagement - Organisation vs Chaos

Da das Setup so noch nicht komplett fertig entwickelt ist, brauchen wir Unterstützung und wollen dies hier zusammen als Teamwork schaffen.
Ich – brunnema, werde hier mit nötigem Projektmanagement versuchen, das Ganze in einer entsprechenden Form zu halten.

• Hast du entsprechendes Wissen und kannst uns unterstützen?!
_ Melde dich bitte bei mir -als PN oder Poste hier entsprechend im Projekt

• Es gibt einen Entwickler-Thread, in dem nur die Entwickler Kommunizieren, hier kann jeder durchaus mitlesen und
_ den Stand der Projektentwicklung mit verfolgen.
• Als erstes muss einmal das Grundsetup lauffähig werden, dann sind durchaus Erweiterungen oder leichte Variationen geplant.
• Schaut bei den Themen Kanälen vorbei und entdeckt interessantes rund um das Projekt
• Nach Projektabschluss soll es durchaus möglich werden, dies entsprechend nachzubauen.

Allen viel Freude & hoffentlich ein schnellen Projekterfolg! :)

Viele Grüße von der sonnigen Bergstraße,
Martin

Zurück zu „Die Mini-PV Anlage mit geregeltem 600W Growatt Wechselrichter und 48V Batteriespeicher“

Wer ist online?

Mitglieder in diesem Forum: 0 Mitglieder und 0 Gäste