* Projekt – Kickoff - es geht los, sei dabei ! *
- brunnema
- Beiträge: 52
- Registriert: Di 16. Aug 2022, 10:19
- Wohnort: Süd-Hessen
- Hat sich bedankt: 7 Mal
- Danksagung erhalten: 2 Mal
* Projekt – Kickoff - es geht los, sei dabei ! *
Hallo zusammen,
in diesem Beitrag möchte ich Euch mehr Einblick auf das Projekt geben.
Es gibt bereits viele kommerzielle Lösungen in sämtlichen größeren Dimensionen, meist ab 4kWp,
doch starten diese mit doch erheblichen Investitionskosten pro kWp.
So etwas muss nicht sein und geht auch zu einem Bruchteil der Kosten, wenn man so etwas in Eigenleistung machen kann –
verfolge uns hier weiter, du wirst sehen das es geht!
Wie im Intro vorgestellt -
Das Projekt ist eine technische abgestimmte Lösung, die weitaus mehr Potential, als die eines „herkömmlichen Balkonkraftwerks“,
bezüglich Effizienz besitzt.
Da ich des Öfteren eine Wirtschaftlichkeit erwähne, meine ich damit den Nutzen dieser Kleinanlage,
die "eigenen Strombezugskosten" nach dem Maximalprinzip zu senken.
Es ist damit also überhaupt kein CENT zu verdienen, im Sinne des EEG, wird hier auf eine Einspeisevergütung verzichtet!
Inzwischen unterstützt Solaranzeige schon viele Komponenten, da aber die spezielle Steuerung für den Growatt String-Wechselrichter,
samt Regellogik noch nicht fertig ist - soll dies hier als Projekt Entwicklung gestartet werden.
Du hast die Möglichkeit das "Wachsen" des Projektes in den nächsten Monaten mit zu verfolgen, noch besser – unterstütze uns, wenn du dich im Bereich "Solaranzeige" - Coding, Photovoltaik, Elektrik, PV-Technik oder dem Ganzen "drumherum" auskennst!
Dann bist du gerne willkommen hier mitzuarbeiten, denn wir brauchen durchaus auch einzelne Gerätetests und Erfahrungen, der hier eingesetzten Hardware.
Vielleicht gibt es auch so begeisterte, die sogar gleich eine Testanlage mit bauen oder Bestandsanlagen auf unser Projektsetup modifizieren.
Wie du später feststellen wirst, ist die Lösung für Haushalte mit 2000-3500kWh Jahresverbrauch von der „Kosten-/Nutzen-Seite wirklich sehr interessant, da bei diesen im Allgemeinen, die Verbrauchsprofile sehr gut zur Anlagengröße passen.
Planen würde man den zu installierenden PV-Generator mit etwa 1-3kWp (3-8Module, je nach Himmels-Ausrichtung, Platz und Verbrauch),
um die bis zu 600W-Einspeiseleitung in das 230V-Hausnetz abdecken.
Eine echte Mini DIY - Photovoltaik Anlage, denn ohne Eigenleistung laufen die Kosten und somit die Wirtschaftlichkeit aus dem Ruder.
Dies ist leider ein Grund, weshalb es bislang einfach keine käufliche Lösung gibt!
Ich schiebe hier mal passend das Kleingedruckte ein:
Jeder der an Strom arbeitet, Geräte an das öffentliche Stromnetz bringt und somit Erzeugungsanalagen wie Photovoltaik betreibt,
muss wissen, wie das fachmännisch zu erfolgen hat, beziehungsweise sich diesbezüglich Unterstützung besorgt und die aktuell gültige Gesetzeslage dazu kennt!
Es kann von keinem der im Forum aktiven Mitgliedern - Verantwortung, Anspruch, Regress oder sonstiges zur Durchführung bzw. fachliche Richtigkeit für Schäden hier gestellt werden.
Ich schreibe dies hier deshalb, da so etwas immer wieder in Foren zu Grundsatz-Diskussionen führt, dass etwas nicht korrekt ist - Hinweise, Vorschläge auf Optimierung sind gerne gesehen und gewollt, dafür sind wir eine Foren-Gemeinschaft!
Bitte Bedenke bei Kritik auch, wie du eine Lösung zur Verbessrung unterbreiten könntest, ansonsten ist sie nicht wirklich hilfreich.
Jeder hier wirkt gemeinnützig ohne Kostenausgleich, bringt seine Freizeit ein, sowie stellt er sein Wissen der Allgemeinheit zur Verfügung!
Jeder der damit nicht einverstanden ist oder keine ausreichenden Kenntnisse auf diesem Gebiet besitzt und einfach Mal „probieren“ will - bitte lassen und besser den Solarteur samt Elektriker eures Vertrauens kontaktieren!
Anforderung und Ziel des Projektes
Die Anlage soll mit möglichst wenig finanziellem Einsatz ein maximales Kosten/Nutzen-Faktor bringen und qualitativ hochwertigere Komponenten
mit angestrebter Laufzeit 20 Jahre mitbringen -
In Anbetracht elektronischer Bauteile & Batterie eine Challenge, aber heute durchaus möglich,
daher bin ich auch von Bastelleien mit "China-Böllern" wenig begeistert.
Ebenfalls ist mir aus einer eigenwirtschaftlichen Betrachtung, das Feste einstellen einer Grund-Einspeiseleistung eines Wechselrichters zu ineffizient – hierzu gibt es auch schon ein Dutzend Lösungen im Netz.
Das Grundsetup kurz erklärt:
Deutlich aufwendiger als eine „Balkonanlage“, aber nach dem Maximalprinzip des vorgesehenen Zwecks und einem angemeldeten 600W Wechselrichter am Stromnetz eingekoppelt -
Soll auf der „Modulseite“ des Wechselrichters, eine Batterie als Puffer ein geschleift werden und dafür sorgen,
dass nicht alle PV-Energie der Module direkt dem Wechselrichter zugeführt wird.
Die Steuerung kennt deinen Stromverbrauch im Haus, also eine Bezugsabfrage über ein sogenanntes Smart-Meter (3Phasen-Energiemessgerät, saldierend), dass hinter dem Hausanschluss-Zähler verbaut wird.
Somit ist es möglich, die zu erzeugende Einspeiseleistung dem Wechselrichter vorzugeben - es entsteht somit eine im Sprachgebrauch bekannte "NULL-Einspeiseregelung" über alle 3 Phasen.
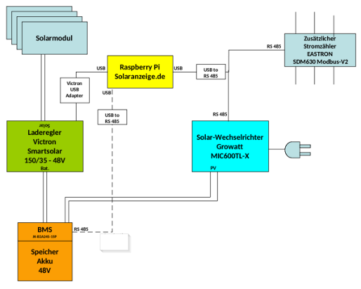
• PV-Module - Freiwählbar, 1-3kWp Generatorleistung, nach Bedarf
• Effektive DC-Laderegler von Victron der Blue / Smart Solarbaureihe sorgen erstmal für eine maximale Batteriespeicherladung und
_ liefern Ladeinfos über einem VE.Direct-USB Adapter an die Steuerung
• 48V LiFePo4 Batteriespeicher ca. 2.5-4kWh (Eigenbau aus 16S-Zellen, notfalls auch Fertiglösungen) der Speicher ist mit der größte Kostenpunkt
_ und damit Einfluss auf die Wirtschaftlichkeit!
_ Der Batteriespeicher muss über einer Spannung von 50V liegen, damit der Wechselrichter zuverlässig damit funktioniert
• Dali BMS - Battery Management System (JK-BMS alternativ geplant) liefert Batteriezustände als Basis für die spätere Einspeiseregelung
• Nun kommt Solaranzeige.de als „Steuerzentrale“ ins Spiel, sie verbindet alle Hardware über einen RPI-Extension HAT RS485 Channel (Modbus)
_ oder alternativ auch mit USB/RS485
• Growatt MIC600TL-X selbst ist über die vereinfachte 600W Regelung beim EVU anmeldbar,
_ jedoch ist auch dort die Versorgung aus einem Speicher bei 600W „Kleinlösungen“ m.E. nicht vorgesehen.
• Für den baugleichen Growatt 750TL-X mit 750W, als auch der Speicherbatterie wäre daher die Anmeldung gleich einer größeren Anlage nach
_ EEG zu machen – die benötigte VDE4105 Zulassung haben beide Growatts
• Eastron SDM630Modbus-V2 ist implementiert, der Eastron SDM72DM-v2 Modbus wird verfügbar und ist die preisgünstigere Alternative,
_ als „Smartmeter“ direkt hinter dem Stromzähler verbaut (ggf. hier Elektriker beauftragen).
Weiter geht es nun erst einmal in den anderen Threads:
• Projektentwicklung
• Infos, Kosten, Planung, Tipps & Tricks
Viele Grüße von der sonnigen Bergstraße,
Martin
in diesem Beitrag möchte ich Euch mehr Einblick auf das Projekt geben.
Es gibt bereits viele kommerzielle Lösungen in sämtlichen größeren Dimensionen, meist ab 4kWp,
doch starten diese mit doch erheblichen Investitionskosten pro kWp.
So etwas muss nicht sein und geht auch zu einem Bruchteil der Kosten, wenn man so etwas in Eigenleistung machen kann –
verfolge uns hier weiter, du wirst sehen das es geht!
Wie im Intro vorgestellt -
Das Projekt ist eine technische abgestimmte Lösung, die weitaus mehr Potential, als die eines „herkömmlichen Balkonkraftwerks“,
bezüglich Effizienz besitzt.
Da ich des Öfteren eine Wirtschaftlichkeit erwähne, meine ich damit den Nutzen dieser Kleinanlage,
die "eigenen Strombezugskosten" nach dem Maximalprinzip zu senken.
Es ist damit also überhaupt kein CENT zu verdienen, im Sinne des EEG, wird hier auf eine Einspeisevergütung verzichtet!
Inzwischen unterstützt Solaranzeige schon viele Komponenten, da aber die spezielle Steuerung für den Growatt String-Wechselrichter,
samt Regellogik noch nicht fertig ist - soll dies hier als Projekt Entwicklung gestartet werden.
Du hast die Möglichkeit das "Wachsen" des Projektes in den nächsten Monaten mit zu verfolgen, noch besser – unterstütze uns, wenn du dich im Bereich "Solaranzeige" - Coding, Photovoltaik, Elektrik, PV-Technik oder dem Ganzen "drumherum" auskennst!
Dann bist du gerne willkommen hier mitzuarbeiten, denn wir brauchen durchaus auch einzelne Gerätetests und Erfahrungen, der hier eingesetzten Hardware.
Vielleicht gibt es auch so begeisterte, die sogar gleich eine Testanlage mit bauen oder Bestandsanlagen auf unser Projektsetup modifizieren.
Wie du später feststellen wirst, ist die Lösung für Haushalte mit 2000-3500kWh Jahresverbrauch von der „Kosten-/Nutzen-Seite wirklich sehr interessant, da bei diesen im Allgemeinen, die Verbrauchsprofile sehr gut zur Anlagengröße passen.
Planen würde man den zu installierenden PV-Generator mit etwa 1-3kWp (3-8Module, je nach Himmels-Ausrichtung, Platz und Verbrauch),
um die bis zu 600W-Einspeiseleitung in das 230V-Hausnetz abdecken.
Eine echte Mini DIY - Photovoltaik Anlage, denn ohne Eigenleistung laufen die Kosten und somit die Wirtschaftlichkeit aus dem Ruder.
Dies ist leider ein Grund, weshalb es bislang einfach keine käufliche Lösung gibt!
Ich schiebe hier mal passend das Kleingedruckte ein:
Jeder der an Strom arbeitet, Geräte an das öffentliche Stromnetz bringt und somit Erzeugungsanalagen wie Photovoltaik betreibt,
muss wissen, wie das fachmännisch zu erfolgen hat, beziehungsweise sich diesbezüglich Unterstützung besorgt und die aktuell gültige Gesetzeslage dazu kennt!
Es kann von keinem der im Forum aktiven Mitgliedern - Verantwortung, Anspruch, Regress oder sonstiges zur Durchführung bzw. fachliche Richtigkeit für Schäden hier gestellt werden.
Ich schreibe dies hier deshalb, da so etwas immer wieder in Foren zu Grundsatz-Diskussionen führt, dass etwas nicht korrekt ist - Hinweise, Vorschläge auf Optimierung sind gerne gesehen und gewollt, dafür sind wir eine Foren-Gemeinschaft!
Bitte Bedenke bei Kritik auch, wie du eine Lösung zur Verbessrung unterbreiten könntest, ansonsten ist sie nicht wirklich hilfreich.
Jeder hier wirkt gemeinnützig ohne Kostenausgleich, bringt seine Freizeit ein, sowie stellt er sein Wissen der Allgemeinheit zur Verfügung!
Jeder der damit nicht einverstanden ist oder keine ausreichenden Kenntnisse auf diesem Gebiet besitzt und einfach Mal „probieren“ will - bitte lassen und besser den Solarteur samt Elektriker eures Vertrauens kontaktieren!
Anforderung und Ziel des Projektes
Die Anlage soll mit möglichst wenig finanziellem Einsatz ein maximales Kosten/Nutzen-Faktor bringen und qualitativ hochwertigere Komponenten
mit angestrebter Laufzeit 20 Jahre mitbringen -
In Anbetracht elektronischer Bauteile & Batterie eine Challenge, aber heute durchaus möglich,
daher bin ich auch von Bastelleien mit "China-Böllern" wenig begeistert.
Ebenfalls ist mir aus einer eigenwirtschaftlichen Betrachtung, das Feste einstellen einer Grund-Einspeiseleistung eines Wechselrichters zu ineffizient – hierzu gibt es auch schon ein Dutzend Lösungen im Netz.
Das Grundsetup kurz erklärt:
Deutlich aufwendiger als eine „Balkonanlage“, aber nach dem Maximalprinzip des vorgesehenen Zwecks und einem angemeldeten 600W Wechselrichter am Stromnetz eingekoppelt -
Soll auf der „Modulseite“ des Wechselrichters, eine Batterie als Puffer ein geschleift werden und dafür sorgen,
dass nicht alle PV-Energie der Module direkt dem Wechselrichter zugeführt wird.
Die Steuerung kennt deinen Stromverbrauch im Haus, also eine Bezugsabfrage über ein sogenanntes Smart-Meter (3Phasen-Energiemessgerät, saldierend), dass hinter dem Hausanschluss-Zähler verbaut wird.
Somit ist es möglich, die zu erzeugende Einspeiseleistung dem Wechselrichter vorzugeben - es entsteht somit eine im Sprachgebrauch bekannte "NULL-Einspeiseregelung" über alle 3 Phasen.
• PV-Module - Freiwählbar, 1-3kWp Generatorleistung, nach Bedarf
• Effektive DC-Laderegler von Victron der Blue / Smart Solarbaureihe sorgen erstmal für eine maximale Batteriespeicherladung und
_ liefern Ladeinfos über einem VE.Direct-USB Adapter an die Steuerung
• 48V LiFePo4 Batteriespeicher ca. 2.5-4kWh (Eigenbau aus 16S-Zellen, notfalls auch Fertiglösungen) der Speicher ist mit der größte Kostenpunkt
_ und damit Einfluss auf die Wirtschaftlichkeit!
_ Der Batteriespeicher muss über einer Spannung von 50V liegen, damit der Wechselrichter zuverlässig damit funktioniert
• Dali BMS - Battery Management System (JK-BMS alternativ geplant) liefert Batteriezustände als Basis für die spätere Einspeiseregelung
• Nun kommt Solaranzeige.de als „Steuerzentrale“ ins Spiel, sie verbindet alle Hardware über einen RPI-Extension HAT RS485 Channel (Modbus)
_ oder alternativ auch mit USB/RS485
• Growatt MIC600TL-X selbst ist über die vereinfachte 600W Regelung beim EVU anmeldbar,
_ jedoch ist auch dort die Versorgung aus einem Speicher bei 600W „Kleinlösungen“ m.E. nicht vorgesehen.
• Für den baugleichen Growatt 750TL-X mit 750W, als auch der Speicherbatterie wäre daher die Anmeldung gleich einer größeren Anlage nach
_ EEG zu machen – die benötigte VDE4105 Zulassung haben beide Growatts
• Eastron SDM630Modbus-V2 ist implementiert, der Eastron SDM72DM-v2 Modbus wird verfügbar und ist die preisgünstigere Alternative,
_ als „Smartmeter“ direkt hinter dem Stromzähler verbaut (ggf. hier Elektriker beauftragen).
Weiter geht es nun erst einmal in den anderen Threads:
• Projektentwicklung
• Infos, Kosten, Planung, Tipps & Tricks
Viele Grüße von der sonnigen Bergstraße,
Martin
-
firewalker30091985
- Beiträge: 14
- Registriert: Do 28. Apr 2022, 02:46
- Hat sich bedankt: 3 Mal
- Danksagung erhalten: 2 Mal
Re: * Projekt – Kickoff - es geht los, sei dabei ! *
Genau so läuft meine PV Aktuell allerdings mit einem (Infinisolar ,FSP HYbrid 10kw Wechselrichter), dazu eine LiFEPO4 Batterie mit 22KWh im Keller,
zwei Daly BMS und zwei aktive Balancer (16S 5A), gekoppelt ist alles an einem SDM 630 zur Nulleinspeißung das ganze ist "relativ einfach" umsetzbar.
Auf die Komponenten ist zu Achten!
Mein Wechselrichter habe ich aus China das passiert mir nicht nochmal!
Bestellt ihn direkt bei MPP-Solar am besten über Peggy@mpp-solar.com.
Aktuell etwa 3000€ ungefähr.
Nur als Warnung: und Empfehlung mein Wechselrichter zeigte nach 60 Tagen (1440 STD) Betriebszeit Fehlercode 90.
Grund hierfür ist ein Plagiatschutz der Firma MPP-Solar! NAch 60 Tagen wird das Display und die Main Unit abgefragt zwecks seriennummer.
SInd diese nicht gleich wird in der Mainunit die Seriennummer gelöscht und zwar auf 20x 0.
Durch eine alte Firmware von 2015 konnte ich ihn wiederbeleben da dort die Abfrage nicht vorkommt alle darauf folgenden Firmware Versionen gehen
nicht!
Zudem ist mir das DC/DC Board und das Mainboard abgeraucht weil das DC/DC Board mit KEINER Schraube befestigt war daruch sind die Platine auf dem Seeweg gebrochen ergo Kurzschluss defekt.
Aber zum guten ende aktuell läuft die Anlage Störungsfrei.
Anschluss am Wechselrichter hab ich mit 115mm² Kabel gemacht und die Daly BMS können jeweil 250Amp entladen, insgesamt zwei Blöcke mit je 16 Zellen á 230AH.
zwei Daly BMS und zwei aktive Balancer (16S 5A), gekoppelt ist alles an einem SDM 630 zur Nulleinspeißung das ganze ist "relativ einfach" umsetzbar.
Auf die Komponenten ist zu Achten!
Mein Wechselrichter habe ich aus China das passiert mir nicht nochmal!
Bestellt ihn direkt bei MPP-Solar am besten über Peggy@mpp-solar.com.
Aktuell etwa 3000€ ungefähr.
Nur als Warnung: und Empfehlung mein Wechselrichter zeigte nach 60 Tagen (1440 STD) Betriebszeit Fehlercode 90.
Grund hierfür ist ein Plagiatschutz der Firma MPP-Solar! NAch 60 Tagen wird das Display und die Main Unit abgefragt zwecks seriennummer.
SInd diese nicht gleich wird in der Mainunit die Seriennummer gelöscht und zwar auf 20x 0.
Durch eine alte Firmware von 2015 konnte ich ihn wiederbeleben da dort die Abfrage nicht vorkommt alle darauf folgenden Firmware Versionen gehen
nicht!
Zudem ist mir das DC/DC Board und das Mainboard abgeraucht weil das DC/DC Board mit KEINER Schraube befestigt war daruch sind die Platine auf dem Seeweg gebrochen ergo Kurzschluss defekt.
Aber zum guten ende aktuell läuft die Anlage Störungsfrei.
Anschluss am Wechselrichter hab ich mit 115mm² Kabel gemacht und die Daly BMS können jeweil 250Amp entladen, insgesamt zwei Blöcke mit je 16 Zellen á 230AH.
Re: * Projekt – Kickoff - es geht los, sei dabei ! *
Hallo Ulrich,
genau die Idee treibt mich aktuell auch um.
Ich bin gerade am Testen ob der Growatt überhaupt mit der Startspannung einer 48V Bat anläuft.
Kannst Du das sicher schon bestätigen?
Ich selber besitze einen Growatt 1500 und laut Datenblatt ist dieser identisch zum 600er bis auf die höhere Eingangs und Ausgangsleistung...
Viele Grüße und bis bald
Tom
genau die Idee treibt mich aktuell auch um.
Ich bin gerade am Testen ob der Growatt überhaupt mit der Startspannung einer 48V Bat anläuft.
Kannst Du das sicher schon bestätigen?
Ich selber besitze einen Growatt 1500 und laut Datenblatt ist dieser identisch zum 600er bis auf die höhere Eingangs und Ausgangsleistung...
Viele Grüße und bis bald
Tom
Online
das kann ich dir nicht beantworten, da ich keinen Wechselrichter habe. Martin könnte das aber wissen.
- Ulrich
- Administrator
- Beiträge: 6609
- Registriert: Sa 7. Nov 2015, 10:33
- Wohnort: Essen
- Hat sich bedankt: 163 Mal
- Danksagung erhalten: 905 Mal
Re: * Projekt – Kickoff - es geht los, sei dabei ! *
Hallo Tom,tom0512 hat geschrieben: ↑Di 17. Jan 2023, 10:49Hallo Ulrich,
genau die Idee treibt mich aktuell auch um.
Ich bin gerade am Testen ob der Growatt überhaupt mit der Startspannung einer 48V Bat anläuft.
Kannst Du das sicher schon bestätigen?
Ich selber besitze einen Growatt 1500 und laut Datenblatt ist dieser identisch zum 600er bis auf die höhere Eingangs und Ausgangsleistung...
Viele Grüße und bis bald
Tom
das kann ich dir nicht beantworten, da ich keinen Wechselrichter habe. Martin könnte das aber wissen.
-----------------------------------------------------
Ulrich . . . . . . . . [ Admin ]
Ulrich . . . . . . . . [ Admin ]
Re: * Projekt – Kickoff - es geht los, sei dabei ! *
Hi Ulrich,
kein Problem. Ich werde es wie gesagt testen und davon abhängig geht es bei mir mit der Umsetzung weiter, oder ich verschiebe es nach hinten. Denn einen anderen Wechselrichter will ich aktuell nicht auch noch kaufen müssen... Würde dann erstmal mit 0 Einspeisung meine Anlage betreiben und ohne Akku
kein Problem. Ich werde es wie gesagt testen und davon abhängig geht es bei mir mit der Umsetzung weiter, oder ich verschiebe es nach hinten. Denn einen anderen Wechselrichter will ich aktuell nicht auch noch kaufen müssen... Würde dann erstmal mit 0 Einspeisung meine Anlage betreiben und ohne Akku
- brunnema
- Beiträge: 52
- Registriert: Di 16. Aug 2022, 10:19
- Wohnort: Süd-Hessen
- Hat sich bedankt: 7 Mal
- Danksagung erhalten: 2 Mal
Re: * Projekt – Kickoff - es geht los, sei dabei ! *
Hallo Tom,
ja weis ich grundlegend.
Es ist so, dass man die Startspannung, als auch Abschaltung per Register verstellen kann.
Das im Datenblatt sind meines Wissens die Angaben, was der Wechselrichter mindestens benötigt.
Prüfen kann ich das leider nur für den 600er/750er, mache das doch gerne auch bei deinem 1500er mal.
Nachzulesen hier:
http://growatt.de.com/show-40-626.htm
Wichtig, so oder so bringt ein grösseres Modell nicht mehr Leistung, weil alle MIC Wechselrichter 600-3300
nur 13A als Eingangsstrom zulassen!!!
Das bedeutet, dass ab dem 750er bereits die Maxinale Leistung aus einem 48V Speicher eingesetzt werden kann und ab einem 2500er müsste die Startspannun auch noch von 80V erreicht werden.
Es ist nun fraglich, ob man bsp. mit einem DC/DC Wandler für deinen 1500er auf mindestens 115V bringt, um diese 1500W Leistung auch ins 230V Netz schieben zu können oder ob das zu viel Verlust bringt.
Ich denke das kaum einer eine Hochvolt Batterie baut, aus kostengründen und sicherheitsgründem würde man hier vermutlich besser direkt in ein Hybrid Wechelsrichter Modell gehen, der ist auch fürnden Zweck ausgelgt und von der Performance her bestimmt.
Diese Leistungsklasse ist dann auch nicht mehr direkt unter einer MiniPV bis (offiziell 600W) abgedeckt.
Was mit MIC und 48V Speicher bei 16S (die liegen ja bei bis zu 56V) geht,
sind etwa 3.3V x 16S (Zellen) x 13A (Eingangslimit!) = 680W Eingangsleistung zum 230V AC einspeisen.
Auch hier Vorsicht, die kaufbaren Pylontech sind nur 15S Systeme, da ist nicht vielnLuft zum Schaltpunkt und kann möglichweise den Speicher nicht voll nutzen!!
Wir haben nach vielen Tests und Codentwicklung, die Solaranzeige auf einem Level, das wir sehr gut und zielgerichet auf 0-Einspeisung oder festgelegte Level x W Bezug oder Einspeisung (offset) ausregeln können.
Der Growatt hat hier eine Anpassungsmöglichkeit von 30sec, da wir die Solaranzeige doppelt so schnell als den 60sekunden Takt fahren.
Die 2. Grenze ist, dass der Growatt sich nur um maximal 180W/min reglen lässt, die ist vermutlich dem früheren Einsatzzweck geschuldet und haben wir mit ändermöglichkeiten der Hardware Regelrampen nicht weiter untersucht. Ein Verbraucher mit Bsp 360W auszzgleichen dauert dann 2min und er bezieht kein Strom mehr vom Netz.
Eigentlich braucht man das aber konstruktionsbedingt nicht bei der Solaranzeige, da diese sowieso vom Aufbau dafür nicht gedacht ist und für eine "Lastabdeckung bis 600W" auch so föllig ausreichend.
P.S. Möglicherweise wird diese Jahr die 600W Minieinspeiseanlagen grenze auf 800W an die EU Richtlinie angeglichen. VDE hat es ja schon in die Wege geleitet.
VG Martin
ja weis ich grundlegend.
Es ist so, dass man die Startspannung, als auch Abschaltung per Register verstellen kann.
Das im Datenblatt sind meines Wissens die Angaben, was der Wechselrichter mindestens benötigt.
Prüfen kann ich das leider nur für den 600er/750er, mache das doch gerne auch bei deinem 1500er mal.
Nachzulesen hier:
http://growatt.de.com/show-40-626.htm
Wichtig, so oder so bringt ein grösseres Modell nicht mehr Leistung, weil alle MIC Wechselrichter 600-3300
nur 13A als Eingangsstrom zulassen!!!
Das bedeutet, dass ab dem 750er bereits die Maxinale Leistung aus einem 48V Speicher eingesetzt werden kann und ab einem 2500er müsste die Startspannun auch noch von 80V erreicht werden.
Es ist nun fraglich, ob man bsp. mit einem DC/DC Wandler für deinen 1500er auf mindestens 115V bringt, um diese 1500W Leistung auch ins 230V Netz schieben zu können oder ob das zu viel Verlust bringt.
Ich denke das kaum einer eine Hochvolt Batterie baut, aus kostengründen und sicherheitsgründem würde man hier vermutlich besser direkt in ein Hybrid Wechelsrichter Modell gehen, der ist auch fürnden Zweck ausgelgt und von der Performance her bestimmt.
Diese Leistungsklasse ist dann auch nicht mehr direkt unter einer MiniPV bis (offiziell 600W) abgedeckt.
Was mit MIC und 48V Speicher bei 16S (die liegen ja bei bis zu 56V) geht,
sind etwa 3.3V x 16S (Zellen) x 13A (Eingangslimit!) = 680W Eingangsleistung zum 230V AC einspeisen.
Auch hier Vorsicht, die kaufbaren Pylontech sind nur 15S Systeme, da ist nicht vielnLuft zum Schaltpunkt und kann möglichweise den Speicher nicht voll nutzen!!
Wir haben nach vielen Tests und Codentwicklung, die Solaranzeige auf einem Level, das wir sehr gut und zielgerichet auf 0-Einspeisung oder festgelegte Level x W Bezug oder Einspeisung (offset) ausregeln können.
Der Growatt hat hier eine Anpassungsmöglichkeit von 30sec, da wir die Solaranzeige doppelt so schnell als den 60sekunden Takt fahren.
Die 2. Grenze ist, dass der Growatt sich nur um maximal 180W/min reglen lässt, die ist vermutlich dem früheren Einsatzzweck geschuldet und haben wir mit ändermöglichkeiten der Hardware Regelrampen nicht weiter untersucht. Ein Verbraucher mit Bsp 360W auszzgleichen dauert dann 2min und er bezieht kein Strom mehr vom Netz.
Eigentlich braucht man das aber konstruktionsbedingt nicht bei der Solaranzeige, da diese sowieso vom Aufbau dafür nicht gedacht ist und für eine "Lastabdeckung bis 600W" auch so föllig ausreichend.
P.S. Möglicherweise wird diese Jahr die 600W Minieinspeiseanlagen grenze auf 800W an die EU Richtlinie angeglichen. VDE hat es ja schon in die Wege geleitet.
VG Martin
Re: * Projekt – Kickoff - es geht los, sei dabei ! *
Hallo Martin,
vielen Dank für Deine Antwort.
Am Wochenende werde ich eine Messreihe durchführen um auch für den MIC 1500 verlässliche Aussagen machen zu können bez. Start und Abschaltverhalten. Ich werde die Ergebnisse posten.
Was mich jetzt noch brennend interessiert:
Grundsätzlich plane ich ohnehin meinen MIC 1500er auf 600 Watt zu drosseln, wenn ich das Batterie Thema angehen. Wollte beim Kauf nur Reserve haben bei Schwachlicht.
Nun aber meine Frage:
Kann ich den Victron Mppt Laderegler ohne Trennung direkt an die Batterie hängen und danach mit der Batterie direkt den Wechselrichter anfahren?
Oder sollte ich sicherheitshalber ein Relais vorsehen das die Batterie bei Unterspannung vom Wechselrichter trennt?
VG Tom
vielen Dank für Deine Antwort.
Am Wochenende werde ich eine Messreihe durchführen um auch für den MIC 1500 verlässliche Aussagen machen zu können bez. Start und Abschaltverhalten. Ich werde die Ergebnisse posten.
Was mich jetzt noch brennend interessiert:
Grundsätzlich plane ich ohnehin meinen MIC 1500er auf 600 Watt zu drosseln, wenn ich das Batterie Thema angehen. Wollte beim Kauf nur Reserve haben bei Schwachlicht.
Nun aber meine Frage:
Kann ich den Victron Mppt Laderegler ohne Trennung direkt an die Batterie hängen und danach mit der Batterie direkt den Wechselrichter anfahren?
Oder sollte ich sicherheitshalber ein Relais vorsehen das die Batterie bei Unterspannung vom Wechselrichter trennt?
VG Tom
- brunnema
- Beiträge: 52
- Registriert: Di 16. Aug 2022, 10:19
- Wohnort: Süd-Hessen
- Hat sich bedankt: 7 Mal
- Danksagung erhalten: 2 Mal
Re: * Projekt – Kickoff - es geht los, sei dabei ! *
Hallo Tom,
bezüglich Growatt, eigentlich braucht man nichts drosseln, da die Drossel die 13A Eingangstrom sind. D.h. alle in der Baureihe ab dem 750er schaffen bei 55V Batteriespannung x 13A Strom nur die gleiche Einspeiseleistung von ca 680W...
Schwachlichtverhalten wäre ein Denkfehler, man kann auch bsp. 6 Module zu 2400W an den Mic 750er hängen (ob das wirtschaftlich sinnvoll ist - eine ganz andere Frage), dieser regelt dann einfach ab, wird bald auch konform, wenn die Balkonregelung auf 800W angehoben werden sollte.
Mit dem Batteriesetup ist der Growatt dann frei von PV Modulen, da an diesem ja die Batterie hängt, greift wieder oben geschriebenes.
Der Victron Laderegler befindet sich dann an den PV Modulen und dieser muss entsprechend dimensioniert sein, dass er mit bsp 3-6 Modulen in die Batterie lädt.
Vorab, hierbei sollte man sehr genau darauf achten, dass alle Anschlüsse über den Raspberry galvanisch getrennt sind, das ist extrem wichtig, sonst können Geräte sofort defekt gehen!
Wie man das am Besten macht und beachten muss, werden wir später in einer Anleitung mit niederschreiben.
VG Martin
bezüglich Growatt, eigentlich braucht man nichts drosseln, da die Drossel die 13A Eingangstrom sind. D.h. alle in der Baureihe ab dem 750er schaffen bei 55V Batteriespannung x 13A Strom nur die gleiche Einspeiseleistung von ca 680W...
Schwachlichtverhalten wäre ein Denkfehler, man kann auch bsp. 6 Module zu 2400W an den Mic 750er hängen (ob das wirtschaftlich sinnvoll ist - eine ganz andere Frage), dieser regelt dann einfach ab, wird bald auch konform, wenn die Balkonregelung auf 800W angehoben werden sollte.
Mit dem Batteriesetup ist der Growatt dann frei von PV Modulen, da an diesem ja die Batterie hängt, greift wieder oben geschriebenes.
Der Victron Laderegler befindet sich dann an den PV Modulen und dieser muss entsprechend dimensioniert sein, dass er mit bsp 3-6 Modulen in die Batterie lädt.
Vorab, hierbei sollte man sehr genau darauf achten, dass alle Anschlüsse über den Raspberry galvanisch getrennt sind, das ist extrem wichtig, sonst können Geräte sofort defekt gehen!
Wie man das am Besten macht und beachten muss, werden wir später in einer Anleitung mit niederschreiben.
VG Martin
Re: * Projekt – Kickoff - es geht los, sei dabei ! *
Hallo Martin,
vielen Dank für deine Antwort.
Bezüglich Ein und Abschaltverhalten des Mic 1500, kann ich Deine Werte des Mic 600/750 bestätigen.
Exakt die gleichen Spannungen habe ich auch ermittelt.
Viele Grüße
Tom
vielen Dank für deine Antwort.
Bezüglich Ein und Abschaltverhalten des Mic 1500, kann ich Deine Werte des Mic 600/750 bestätigen.
Exakt die gleichen Spannungen habe ich auch ermittelt.
Viele Grüße
Tom
- brunnema
- Beiträge: 52
- Registriert: Di 16. Aug 2022, 10:19
- Wohnort: Süd-Hessen
- Hat sich bedankt: 7 Mal
- Danksagung erhalten: 2 Mal
Re: * Projekt – Kickoff - es geht los, sei dabei ! *
Hallo Tom,
klingt gut und bestätigt damit das Datenblatt.
Wer nun aber einen 1500er betreibt, müsste diesen eigentlich unter EEG angemeldet haben, daher würde dir natürlich die Vergütung entfallen, wenn du später auf unsere Solaranzeige Batterielösung umsteigst.
Es macht daher eigentlich keinen Sinn (oder er erschließt sich mir zumindest nicht), den deutlichen Mehrpreis zu einem kleinen MIC600 bzw 750er zu investieren.
Im Code der neuen Mini-PV.php ist er nicht vorgesehen, man kann das aber an entsprechender Stelle anpassen.
Wenn das Projekt läuft und dokumentiert ist, kommst du hier am Besten nochmal auf uns zu, dann helfen wir das auf MIC 1500 anzupassen.
>> Dieser macht dann, wie bereits erwähnt, aber hinter der Batterie (55V) auch "nur noch" diese ca. 680W, wegen der 13A Begrenzung.
VG Martin.
klingt gut und bestätigt damit das Datenblatt.
Wer nun aber einen 1500er betreibt, müsste diesen eigentlich unter EEG angemeldet haben, daher würde dir natürlich die Vergütung entfallen, wenn du später auf unsere Solaranzeige Batterielösung umsteigst.
Es macht daher eigentlich keinen Sinn (oder er erschließt sich mir zumindest nicht), den deutlichen Mehrpreis zu einem kleinen MIC600 bzw 750er zu investieren.
Im Code der neuen Mini-PV.php ist er nicht vorgesehen, man kann das aber an entsprechender Stelle anpassen.
Wenn das Projekt läuft und dokumentiert ist, kommst du hier am Besten nochmal auf uns zu, dann helfen wir das auf MIC 1500 anzupassen.
>> Dieser macht dann, wie bereits erwähnt, aber hinter der Batterie (55V) auch "nur noch" diese ca. 680W, wegen der 13A Begrenzung.
VG Martin.
Wer ist online?
Mitglieder in diesem Forum: 0 Mitglieder und 0 Gäste