Deye Sun-15K
Moderator: Ulrich
Forumsregeln
Bitte nur Hardware posten, die man selber auch ausprobiert bzw. in Verwendung hat.
Bitte nur Hardware posten, die man selber auch ausprobiert bzw. in Verwendung hat.
Deye Sun-15K
Hallo zusammen,
wir haben nun den Deye Sun-15K, welchen wir mit solaranzeige auf einem RaspberryPi 4B tracken wollen.
Ich lese zu dieser Wechselrichterserie, dass hierfür ein RS485 zu USB Adapter benötigt wird.
Ich habe mir nun mal die Anschlussmöglichkeiten am Wechselrichter angesehen und sehe auch einen LAN-Port mit Beschriftung RS485. Wird es funktionieren, wenn ich den Raspberry einfach per LAN daran hänge? Oder benötige ich doch den Adapter?
Bild von den Anschlüssen anbei.
Danke euch für eure Hilfestellung!
wir haben nun den Deye Sun-15K, welchen wir mit solaranzeige auf einem RaspberryPi 4B tracken wollen.
Ich lese zu dieser Wechselrichterserie, dass hierfür ein RS485 zu USB Adapter benötigt wird.
Ich habe mir nun mal die Anschlussmöglichkeiten am Wechselrichter angesehen und sehe auch einen LAN-Port mit Beschriftung RS485. Wird es funktionieren, wenn ich den Raspberry einfach per LAN daran hänge? Oder benötige ich doch den Adapter?
Bild von den Anschlüssen anbei.
Danke euch für eure Hilfestellung!
- Ulrich
- Administrator
- Beiträge: 5393
- Registriert: Sa 7. Nov 2015, 10:33
- Wohnort: Essen
- Hat sich bedankt: 167 Mal
- Danksagung erhalten: 826 Mal
Re: Deye Sun-15K
Es funktioniert nur mit dem RS485 zu USB Adapter mit FTDI Chipsatz.
Der RS485 Anschluss mit RJ45 Buchse hat nichts mit einem LAN zu tun.
Der RS485 Anschluss mit RJ45 Buchse hat nichts mit einem LAN zu tun.
-----------------------------------------------------
Ulrich . . . . . . . . [ Admin ]
Ulrich . . . . . . . . [ Admin ]
Re: Deye Sun-15K
Hallo nochmal,
Den Adapter habe ich mittlerweile da.
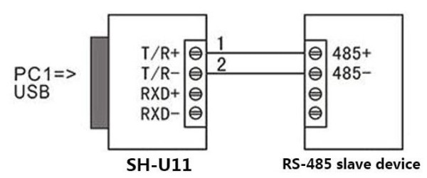
Verstehe ich das Verdrahtungsschema richtig, dass ich vom Inverter einfach RSD+ mit 1 am Adapter und RSD- mit der 2 am Adapter verbinde?
Dazu kann ich einfach ein altes Patchkabel crimpen und dafür verwenden, oder?
Sorry, dass ich so blöd frage, habe sowas in der Richtung bisher noch nicht gemacht.
Vielen Dank schonmal
Den Adapter habe ich mittlerweile da.
Verstehe ich das Verdrahtungsschema richtig, dass ich vom Inverter einfach RSD+ mit 1 am Adapter und RSD- mit der 2 am Adapter verbinde?
Dazu kann ich einfach ein altes Patchkabel crimpen und dafür verwenden, oder?
Sorry, dass ich so blöd frage, habe sowas in der Richtung bisher noch nicht gemacht.
Vielen Dank schonmal
Re: Deye Sun-15K
Oder kann ich sogar den RS485-Anschluss verwenden?
Netzwerkkabel in die Buchse und auf der anderen Seite Pin1 in TR+ und Pin2 in TR-
Netzwerkkabel in die Buchse und auf der anderen Seite Pin1 in TR+ und Pin2 in TR-
Re: Deye Sun-15K
Hallo nochmal, bei mir läuft es zwischenzeitlich.
am Wechselrichter muss man den Port ganz rechts (mit Beschriftung RS485) nehmen. Hier einfach ein altes "LAN"-Kabel wie sie am Internetrouter eingesetzt werden, auf der einen Seite aufschneiden. Man hat so auf der einen Seite den Stecker und auf der anderen Seite einige dünne Adern. Man benötigt Pin1 und Pin2, bei mir war PIN1 orange/weiß gestreift und PIN2 komplett orange. Kann aber wohl auch anders belegt sein. Man sieht es auch vorne am Stecker: Wenn die Klammer nach hinten zeigt sieht man die Farbe von PIN1 und 2 (ganz links=1 und der daneben=2).
Am Adapter (mit diesem funktioniert es: https://www.amazon.de/dp/B07B416CPK) wird Pin1 (orange/weiß) dann auf Position2 geklemmt, Pin2 (orange) auf Position 1.
Im Setup nur die Nummer des Wechselrichters (93) angeben - fertig. Daten sollten so schon ankommen.
LG
am Wechselrichter muss man den Port ganz rechts (mit Beschriftung RS485) nehmen. Hier einfach ein altes "LAN"-Kabel wie sie am Internetrouter eingesetzt werden, auf der einen Seite aufschneiden. Man hat so auf der einen Seite den Stecker und auf der anderen Seite einige dünne Adern. Man benötigt Pin1 und Pin2, bei mir war PIN1 orange/weiß gestreift und PIN2 komplett orange. Kann aber wohl auch anders belegt sein. Man sieht es auch vorne am Stecker: Wenn die Klammer nach hinten zeigt sieht man die Farbe von PIN1 und 2 (ganz links=1 und der daneben=2).
Am Adapter (mit diesem funktioniert es: https://www.amazon.de/dp/B07B416CPK) wird Pin1 (orange/weiß) dann auf Position2 geklemmt, Pin2 (orange) auf Position 1.
Im Setup nur die Nummer des Wechselrichters (93) angeben - fertig. Daten sollten so schon ankommen.
LG
-
Schmiddy8888
- Beiträge: 3
- Registriert: Do 1. Dez 2022, 12:45
Re: Deye Sun-15K
Hi ProfMoe,
hast Du den Hochvolt-Wechselrichter Deye 15k? Mit welcher Firmware? Und welcher Batterie angeschlossen? Hast Du noch Einstellungen im Wechselrichter selbst vorgenommen?
Da ich gefühlt schon alles versucht habe, um meinen 15k Hochvolt mit Deye GB-L-Speicher auszulesen, wäre ich Dir sehr über euer Infos dankbar, wie Du es schlussendlich geschafft hast.
Danke Dir vielmals.
VG Lars
hast Du den Hochvolt-Wechselrichter Deye 15k? Mit welcher Firmware? Und welcher Batterie angeschlossen? Hast Du noch Einstellungen im Wechselrichter selbst vorgenommen?
Da ich gefühlt schon alles versucht habe, um meinen 15k Hochvolt mit Deye GB-L-Speicher auszulesen, wäre ich Dir sehr über euer Infos dankbar, wie Du es schlussendlich geschafft hast.
Danke Dir vielmals.
VG Lars
-
Schmiddy8888
- Beiträge: 3
- Registriert: Do 1. Dez 2022, 12:45
Re: Deye Sun-15K
Hi ProfMoe,
ich danke Dir SEHR. Ich habe das jetzt exakt so nachgebaut, wie von Dir dargestellt. Und es funktionierte auf Anhieb und ohne Probleme. Die Daten leite ich per MQTT an IP Symcon weiter. Ein Traum.
Ich hatte vorher mit einer eBay-WLAN-Lösung keinen Erfolg, von daher bin ich jetzt umso mehr happy.
1.000 Dank, dass Du Dein Wissen geteilt hast.
LG: Lars
ich danke Dir SEHR. Ich habe das jetzt exakt so nachgebaut, wie von Dir dargestellt. Und es funktionierte auf Anhieb und ohne Probleme. Die Daten leite ich per MQTT an IP Symcon weiter. Ein Traum.
Ich hatte vorher mit einer eBay-WLAN-Lösung keinen Erfolg, von daher bin ich jetzt umso mehr happy.
1.000 Dank, dass Du Dein Wissen geteilt hast.
LG: Lars
- Schwarzermann
- Beiträge: 457
- Registriert: Sa 9. Okt 2021, 11:16
- Wohnort: 87733
- Hat sich bedankt: 11 Mal
- Danksagung erhalten: 18 Mal
Re: Deye Sun-15K
Hat jemand mit einem 12k Nierdervolt einmal ein Bild von den Anschlüssen für die Dtenkomunikation? Hat der 12 K genauso soviele Anschlüsse?
Der mit sympatischen Vollmeise
viewtopic.php?p=10570#p10570 USB Zuweisungen.
viewtopic.php?p=41308#p41308 Shelly in Grafana schalten
viewtopic.php?p=32232#p32232
viewtopic.php?p=10570#p10570 USB Zuweisungen.
viewtopic.php?p=41308#p41308 Shelly in Grafana schalten
viewtopic.php?p=32232#p32232
Re: Deye Sun-15K
Hallo Lars,Schmiddy8888 hat geschrieben: ↑Mo 24. Jun 2024, 10:02Hi ProfMoe,
ich danke Dir SEHR. Ich habe das jetzt exakt so nachgebaut, wie von Dir dargestellt. Und es funktionierte auf Anhieb und ohne Probleme. Die Daten leite ich per MQTT an IP Symcon weiter. Ein Traum.
Ich hatte vorher mit einer eBay-WLAN-Lösung keinen Erfolg, von daher bin ich jetzt umso mehr happy.
1.000 Dank, dass Du Dein Wissen geteilt hast.
LG: Lars
war hier nicht aktiv - jetzt erst gelesen. Schön, dass es bei dir auch geklappt hat
LG
Moritz
Wer ist online?
Mitglieder in diesem Forum: 0 Mitglieder und 0 Gäste