Steuerung Micro-Wechselrichter AEconversion
Moderator: Ulrich
Re: Steuerung Micro-Wechselrichter AEconversion
Man steuert entweder über die Leistung L 000 bis L100
Oder über Spannung /Strom mit B2 xx.x und S xx.x
Das Topic heißt solaranzeige/befehl/1 mit dem jeweiligen Wert L, B oder S im o.g. Syntax.
Die Frage ist, welche Art ist die Bessere?
Vielleicht kann da jemand anderes noch Auskunft geben.
Gruß Michael
Oder über Spannung /Strom mit B2 xx.x und S xx.x
Das Topic heißt solaranzeige/befehl/1 mit dem jeweiligen Wert L, B oder S im o.g. Syntax.
Die Frage ist, welche Art ist die Bessere?
Vielleicht kann da jemand anderes noch Auskunft geben.
Gruß Michael
-
dieseldriver
- Beiträge: 1
- Registriert: Di 13. Sep 2022, 14:44
Re: Steuerung Micro-Wechselrichter AEconversion
Hallo,Ulrich hat geschrieben: ↑Mo 27. Mai 2019, 16:40Bei dem AEconversion Micro-Wechselrichter kann man jetzt per MQTT Protokoll stufenlos die Leistungserzeugung von 1% bis 100% einstellen. Die Prozentzahl bezieht sich auf die Nennleistung des Gerätes. Bei einem INV500-90 sind 20% also 100 Watt. In dem unteren Beispiel wurd die Leistung auf 30% reduziert. (= 150 Watt)
ich würde auch gerne meine AEconversion 315 Wechselrichter über die RF-Schnittstelle monitoren.
Welches Protokoll wird hierbei verwendet? Meine Idee ist nämlich eine Raspberry Lösung mit einem 2.4 GHz NRF24L01+ oder so etwas in der Art.
Ich möchte eigetnlich nur den erzeugten Strom erfassen, wenn es über die RF-Schnittstelle klappt ist es gut, ansonsten würde ich einen Shelle 1PM verwenden.
Re: Steuerung Micro-Wechselrichter AEconversion
Das würde ich auch gerne sehen, das das Jemand schafft, obwohl ich inzwischen zu Hoymiles gewechselt bin und selbst nur die RS485 Version vom INV350-60 besitze.dieseldriver hat geschrieben: ↑Di 13. Sep 2022, 14:52Hallo,Ulrich hat geschrieben: ↑Mo 27. Mai 2019, 16:40Bei dem AEconversion Micro-Wechselrichter kann man jetzt per MQTT Protokoll stufenlos die Leistungserzeugung von 1% bis 100% einstellen. Die Prozentzahl bezieht sich auf die Nennleistung des Gerätes. Bei einem INV500-90 sind 20% also 100 Watt. In dem unteren Beispiel wurd die Leistung auf 30% reduziert. (= 150 Watt)
ich würde auch gerne meine AEconversion 315 Wechselrichter über die RF-Schnittstelle monitoren.
Welches Protokoll wird hierbei verwendet? Meine Idee ist nämlich eine Raspberry Lösung mit einem 2.4 GHz NRF24L01+ oder so etwas in der Art.
Ich möchte eigetnlich nur den erzeugten Strom erfassen, wenn es über die RF-Schnittstelle klappt ist es gut, ansonsten würde ich einen Shelle 1PM verwenden.
Ich würde gern mal sehen was der genaue Unterschied der bisherigen INV350-60 RS485 zu PLC Version ist. Leider machen alle nur tolle Fotos von oben auf das haupt PCB, niemand kommt auf die Idee mal die Chips auf der vertikalen PLC Platine zu fotografieren bzw. zu identifizieren. Solange sowas niemand macht der so einen PLC Wechselrichter besitzt braucht auch niemand mehr nach eine Lösung zu fragen diese ohne Hersteller Hardware auslesen zu wollen. Es ist leider sehr wahrscheinlich so, das ein Besitzer dieser WR das Gerät aufschrauben muss und damit die Garantie verlieren wird.
Im Falle des Hoymiles war es so, das man aus dem Datenblatt das entsprechende Protokoll herauslesen konnte und somit schon gute Hinweise hatte.
In vielen Fällen braucht man dann doch die Original Hardware zum auslesen, weil man die Daten mitschneiden muss, um zu sehen ob sie anders aufgebaut sind als bei den bisherigen PLC modellen.
Ich schätze das AE Conversion inzwischen die PLC Variante ausgetauscht hat bzw. das Protokoll. Beim Aliexpress gibt es PLC Platinen wie Sand am Meer, nur weis niemand wie viele Übertragungsprotokolle es eigentlich gibt und welches der INV nutzt. Niemand wird Versuchskaninchen spielen wollen und Unmengen von verschiedenen PLC Modulen beim Ali zu kaufen und herumzuprobieren.
Re: Steuerung Micro-Wechselrichter AEconversion
Hi,
Auf dem PLC-Modul im INV500-90EU PLC (Rev. 06) ein "ST7540" PLC Chip und ein "Atmel 35468G ATTINY 44" . Ein passendes Modul als Gegenstück habe ich mir schon besorgt. ==> dieses Modul: https://de.aliexpress.com/item/4000382437710.html

Anbei auch Bilder von der PLC-Platine des INV500 PLC.
Ich vermute, das der ATMEL 8Bit-Prozessor (35468G - ATTINY 44) die Konfiguration des ST7540 übernimmt...
Das Flachbandkabel könnte RX/TX, ... zu dieser Platine übertragen - also ggf. gut zum sniffen...
Jemand Interesse an einem gemeinsamen Hack?
Ein Gateway habe ich leider nicht...
Auf dem PLC-Modul im INV500-90EU PLC (Rev. 06) ein "ST7540" PLC Chip und ein "Atmel 35468G ATTINY 44" . Ein passendes Modul als Gegenstück habe ich mir schon besorgt. ==> dieses Modul: https://de.aliexpress.com/item/4000382437710.html

Anbei auch Bilder von der PLC-Platine des INV500 PLC.
Ich vermute, das der ATMEL 8Bit-Prozessor (35468G - ATTINY 44) die Konfiguration des ST7540 übernimmt...
Das Flachbandkabel könnte RX/TX, ... zu dieser Platine übertragen - also ggf. gut zum sniffen...
Jemand Interesse an einem gemeinsamen Hack?
Ein Gateway habe ich leider nicht...
Re: Steuerung Micro-Wechselrichter AEconversion
Hi Tomcat24,
ich hätte auch Interesse an einem Hack für die AE Wechselrichter. Ich habe zwar noch keinen, plane aber den INV-500 als Batteriewechselrichter an einer mit PV Strom geladenem 48V Akku zu betreiben. Dazu bräuchte ich aber definitiv die Schnittstelle am INV...
Ich weiß jetzt nicht genau, wieviel Aufwand du betreiben möchtest. Für meine Lösung würde es schon reichen, einfach auf die RX/TX Leitungen am INV abzugreifen und mit einem Pegelwandler entsprechend weiter zu verarbeiten.
So wie es scheint möchtest du die Kommunikation über Powerline "richtig" nutzen oder?
Viele Grüße
ich hätte auch Interesse an einem Hack für die AE Wechselrichter. Ich habe zwar noch keinen, plane aber den INV-500 als Batteriewechselrichter an einer mit PV Strom geladenem 48V Akku zu betreiben. Dazu bräuchte ich aber definitiv die Schnittstelle am INV...
Ich weiß jetzt nicht genau, wieviel Aufwand du betreiben möchtest. Für meine Lösung würde es schon reichen, einfach auf die RX/TX Leitungen am INV abzugreifen und mit einem Pegelwandler entsprechend weiter zu verarbeiten.
So wie es scheint möchtest du die Kommunikation über Powerline "richtig" nutzen oder?
Viele Grüße
Re: Steuerung Micro-Wechselrichter AEconversion
Hi,
habe auch vor einen ESP32 in meinen INV-500 einzubauen.
was ich soweit rausgefunden habe ist die Belegung von der Verbindung zwischen MCU Board und PLC Board.
Aus der Sicht wie unten ist diese:
links oben 3V3
mitte oben RX (Inverter RX, also ESP UART TX)
mitte unten TX
rechts unten GND
Baudrate 9600
Die Kommunikationsleitung liegt aus Sicherheitssicht auf einem Potential welches nicht ungefährlich ist.
Also beim Debuggen besser noch etwas galvanisch trennendes dazwischensetzen
habe auch vor einen ESP32 in meinen INV-500 einzubauen.
was ich soweit rausgefunden habe ist die Belegung von der Verbindung zwischen MCU Board und PLC Board.
Aus der Sicht wie unten ist diese:
links oben 3V3
mitte oben RX (Inverter RX, also ESP UART TX)
mitte unten TX
rechts unten GND
Baudrate 9600
Die Kommunikationsleitung liegt aus Sicherheitssicht auf einem Potential welches nicht ungefährlich ist.
Also beim Debuggen besser noch etwas galvanisch trennendes dazwischensetzen
Re: Steuerung Micro-Wechselrichter AEconversion
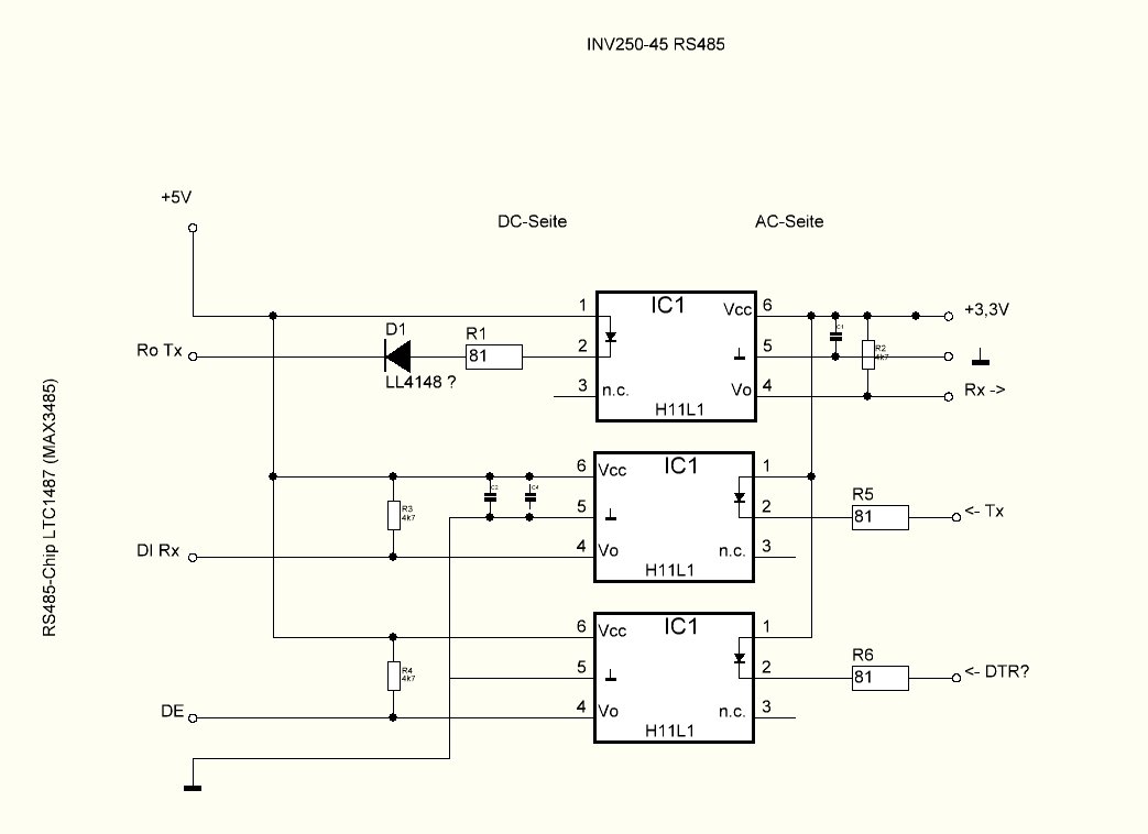
Hier sind ein paar Bilder des RS485-Boards aus einem INV250-45 RS485, den ich eh wegen Reparatur offen hatte. Die Schaltplanskizze ist nur auf die Schnelle zusammengekritzelt und nicht vollständig, aber man sieht, wie die Potentialtrennung gelöst ist.
Re: Steuerung Micro-Wechselrichter AEconversion
Hallo,
ich habe ein paar Fragen zur Hardware.
Gehen die RX/TX Pins der PLC Version auf die gleichen Pins wie bei der RS485 Version (Steckverbinder, Hauptplatine)?
Ist die Programmierschnittstelle des ATINY44 auf dem Steckverbinder (debugWire, SPI) oder gibt es auf dem Board noch einen Steckverbinder zur Programmierung?
Wenn ich das richtig sehe, benutzt die RS485 und PLC Version dieses Flachbandkabel mit identischem Stecker. Kannst du die einzelne RS485 Platine in die PLC Version bauen und mit dem Inverter kommunizieren?
Danke & Grüße.
ich habe ein paar Fragen zur Hardware.
Gehen die RX/TX Pins der PLC Version auf die gleichen Pins wie bei der RS485 Version (Steckverbinder, Hauptplatine)?
Ist die Programmierschnittstelle des ATINY44 auf dem Steckverbinder (debugWire, SPI) oder gibt es auf dem Board noch einen Steckverbinder zur Programmierung?
Wenn ich das richtig sehe, benutzt die RS485 und PLC Version dieses Flachbandkabel mit identischem Stecker. Kannst du die einzelne RS485 Platine in die PLC Version bauen und mit dem Inverter kommunizieren?
Danke & Grüße.
Re: Steuerung Micro-Wechselrichter AEconversion
Hi Ulrich,
Ich hoff ich darf dir eine paar Fragen stellen, da du dich offensichtlich schon länger mit dem Thema beschäftigst und ich ein paar Tipps gut gebrauchen könnte.
Ich hab ein Balkonkraftwerk und eine Inselanlage mit 11kwh 48V und eine übrige 2,5kwh 24V Lifepo Batterie.
Weiters hab ich an meinem Stromzähler einen optische Lesekopf der mir den aktuellen Verbrauch ausliest und per MQTT zur Verfügung stellt.
Mit den vorhandenen Komponenten (und ein paar zusätzlichen) würde ich gerne eine Nulleinspeisung realisieren.
Was ich auf jeden Fall dafür benötige ist ein steuerbarer WR. Ich hab jetzt schon einiges in den Foren gelesen über die Steuerung von AEConversion - WR mit RS485.
Ich überlege mir einen am Gebrauchtmarkt zu besorgen.
Die 24V Batterie würde ich gerne als Puffer verwenden - also damit die PV-Module direkt in die Batterie laden und von dort der jeweilige Strombedarf über den WR gesteuert eingespeist wird. Macht das Setup Sinn oder würdest du etwas anderes empfehlen?
MPPT müsste ich dann natürlich auch deaktivieren - aber das sollte über die RS485 Schnittstelle ja auch möglich sein. Doch was brauch ich für die Steuerung? Ein Rasberry Pi mit Solaranzeige drauf installiert? Reicht das um die Daten vom Zähler abzurufen und damit den WR zu steuern?
Danke im Voraus!
Lg
Re: Steuerung Micro-Wechselrichter AEconversion
Hi
Ich hadere mit dem ähnlichen Problem, bin aber einen Schritt weiter.
Ich habe ae-conversion angeschrieben und man hat mir die "Protokoll-Doku" zugesendet, die sehr überschaubar ist.
Genaugenommen frage ich meinen Inv350 seit 10 Jahren erfolgreich ab - mit einem RPi2 (die andern gabs damals noch nicht).
Das alles ist seeeehr simpel im Prinzip.
Man öffnet die serielle Schnittstelle des Adapters (bei mir der da https://de.elv.com/linker-kit-rs485-sch ... =264020335), weil da steht mir kein USB Ding irgendwo ab und die GPIOS werden auch "sauber sortiert" und mit mehr Masse und 5/3.3V Pins ausgeführt) - was hier ein "/dev/ttyAMA0" wäre.
Dort sende ich dann gemäß Doku ein "#050" (die "05" ist die Adresse meines WR, kann nur bis 32 gehen - woher ich die habe, weiß ich nimmer)
was wie folt dann aussieht
pi@Pi2n:~/Solar $ ./Aegis2.pl "#050"
gesendete Zeichenfolge: #050
empfangene Zeichenfolge: *050 0 35.6 1.44 50 83.2 0.07 49 50 43
Bedeutung
# Feld 0 = Responsecode
# Feld 1 = Status
# Feld 2 = Volt-DC
# Feld 3 = Strom-DC
# Feld 4 = Watt-DC
# Feld 5 = Spannung AC (stimmt aber nicht vom Wert)
# Feld 6 = Strom AC
# Feld 7 = Watt-AC
# Feld 8 = Temperatur (immer 50)
# Feld 9 = Tagesertrag in Wh
Soweit so einfach und gut.
Der Befehl "#05L 050" sollte die Leistungsreduktion auf 50% schalten (temporär bis zum nächsten Reset) - nur: meiner akzeptiert das nicht! Er gibt mir immer das Ergebnis des "#05L" Befehls aus, nämlich 100%....
Vielleicht hat mein WR einen an der Klatsche und Deiner tut es.
Ich kann mir leider kein Solaranzeige Image antun, weil damit die Abfrage meines Zählers (EVU besteht auf verschlüsselter MBus Ausgabe, das muß ich mit eigenem Programm am Pi machen und auch meine anderen "Smart Home" Steuerungen sind selbsgestrickt wie Ladestromsteuerung für den Akku. Das funktioniert alles sehr gut und würde mit der Solaranzeige nicht harmonieren.
Ich hadere mit dem ähnlichen Problem, bin aber einen Schritt weiter.
Ich habe ae-conversion angeschrieben und man hat mir die "Protokoll-Doku" zugesendet, die sehr überschaubar ist.
Genaugenommen frage ich meinen Inv350 seit 10 Jahren erfolgreich ab - mit einem RPi2 (die andern gabs damals noch nicht).
Das alles ist seeeehr simpel im Prinzip.
Man öffnet die serielle Schnittstelle des Adapters (bei mir der da https://de.elv.com/linker-kit-rs485-sch ... =264020335), weil da steht mir kein USB Ding irgendwo ab und die GPIOS werden auch "sauber sortiert" und mit mehr Masse und 5/3.3V Pins ausgeführt) - was hier ein "/dev/ttyAMA0" wäre.
Dort sende ich dann gemäß Doku ein "#050" (die "05" ist die Adresse meines WR, kann nur bis 32 gehen - woher ich die habe, weiß ich nimmer)
was wie folt dann aussieht
pi@Pi2n:~/Solar $ ./Aegis2.pl "#050"
gesendete Zeichenfolge: #050
empfangene Zeichenfolge: *050 0 35.6 1.44 50 83.2 0.07 49 50 43
Bedeutung
# Feld 0 = Responsecode
# Feld 1 = Status
# Feld 2 = Volt-DC
# Feld 3 = Strom-DC
# Feld 4 = Watt-DC
# Feld 5 = Spannung AC (stimmt aber nicht vom Wert)
# Feld 6 = Strom AC
# Feld 7 = Watt-AC
# Feld 8 = Temperatur (immer 50)
# Feld 9 = Tagesertrag in Wh
Soweit so einfach und gut.
Der Befehl "#05L 050" sollte die Leistungsreduktion auf 50% schalten (temporär bis zum nächsten Reset) - nur: meiner akzeptiert das nicht! Er gibt mir immer das Ergebnis des "#05L" Befehls aus, nämlich 100%....
Vielleicht hat mein WR einen an der Klatsche und Deiner tut es.
Ich kann mir leider kein Solaranzeige Image antun, weil damit die Abfrage meines Zählers (EVU besteht auf verschlüsselter MBus Ausgabe, das muß ich mit eigenem Programm am Pi machen und auch meine anderen "Smart Home" Steuerungen sind selbsgestrickt wie Ladestromsteuerung für den Akku. Das funktioniert alles sehr gut und würde mit der Solaranzeige nicht harmonieren.
Wer ist online?
Mitglieder in diesem Forum: 0 Mitglieder und 0 Gäste